Ticker

6/recent/ticker-posts

Advertisement

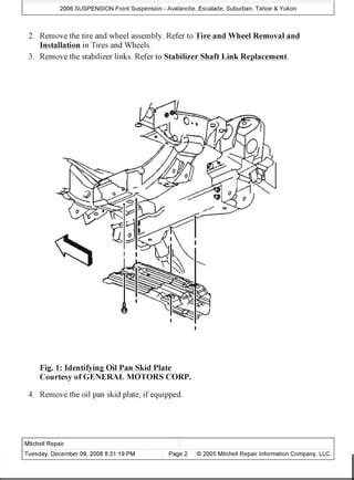
PDF 2004 Chevrolet Suburban Service Manual

Currently you are looking for an 2004 Chevrolet Suburban Service Manual example of which we provide here inside some form of document formats like as PDF, Doc, Strength Point, and in addition images of which will make it simpler for you to create an 2004 Chevrolet Suburban Service Manual yourself. For a more clear look, you are able to open a few examples below. All the illustrations about 2004 Chevrolet Suburban Service Manual about this site, we get from several sources so you may create a better file of your own.

In case the search you acquire here does not match what you are seeking for, please make use of the lookup feature that we possess provided here. You are free to download anything at all that we provide in this article, investment decision you won't cost you the particular slightest.

DOWNLOAD HERE

We all know that reading 2004 Chevrolet Suburban Service Manual is beneficial, because we can get enough detailed information online from the reading materials. Technology has developed, and reading 2004 Chevrolet Suburban Service Manual books might be far more convenient and much easier. We could read books on the mobile, tablets and Kindle, etc. Hence, there are lots of books entering PDF format.

Right here websites for downloading free PDF books to acquire the maximum amount of knowledge as you want. Today everybody, young and older, should familiarize themselves with the growing eBook industry. Ebooks and eBook readers provide substantial benefits more than traditional reading. Ebooks cut down on the make use of of paper, as strongly suggested by environmental enthusiasts. Right now there are no fixed timings for study. There will be no question of waiting-time for new editions. Right now there is no transportation to be able to the eBook shop. The books in an eBook go shopping can be downloaded quickly, sometimes for free, occasionally for a fee.

Not just that, the online version of books are generally less expensive, because publication houses save their print in addition to paper machinery, the benefits of which are given to to customers. Further, the particular reach of the eBook shop is immense, enabling a person living in Australia to source out to be able to a publication house inside Chicago. The newest phenomenon in the online eBook world is exactly what are known as eBook libraries, or eBook packages. An eBook package is something unusual. This consists of a big number of ebooks bundled together that are not really easily obtainable at one single place. So instead regarding hunting down and purchasing, say 100 literary timeless classics, you can buy an eBook package which contains all these kinds of ebooks bundled together. These types of eBook libraries typically offer a substantial savings, in addition to are usually offered inside a number of formats to suit your brand of eBook reader. Large companies, such since Amazon or Barnes as well as Noble, tend to not really carry these eBook your local library. If you want to be able to buy one of these your local library, you will have to be able to find independent eBook stores. These independent eBook stores typically package the eBook libraries by genre, in addition to have a wide selection of genres.